| 服務項目 | 瀏覽量1 | 發布時間2016-06-12 |
| 品牌浙江艾默生 | 所在地浙江 溫州 | 起訂≥1 臺 |
| 供貨總量未填 | 發貨0天內發貨 | 有效期至2025-03-09已下架 |
| 服務項目 | 瀏覽量1 | 發布時間2016-06-12 |
| 品牌浙江艾默生 | 所在地浙江 溫州 | 起訂≥1 臺 |
| 供貨總量未填 | 發貨0天內發貨 | 有效期至2025-03-09已下架 |
一、上裝式偏心半球閥概述:
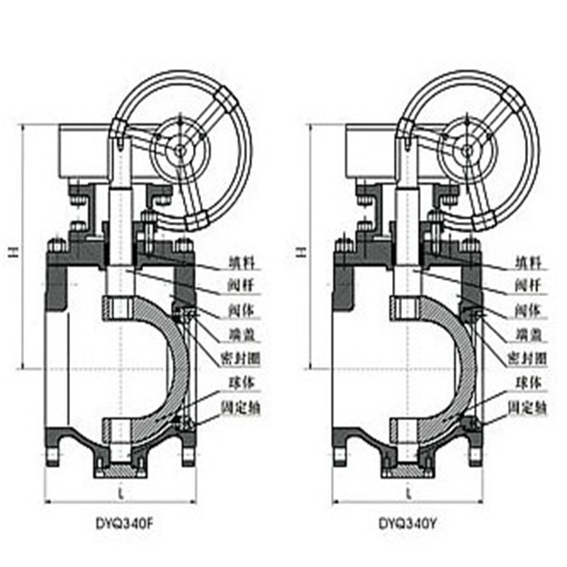
上裝式偏心半球閥利用偏心閥體,偏心球體和閥座,閥桿作旋轉運動時在共同軌跡自動定心,關閉過程中越關越緊,完全達到良好的密封目的。閥門的球體和閥座完全脫離,消除了密封圈的磨損,克服了傳統球體閥座與球體密封面始終磨損的問題,非金屬彈性材料被嵌入金屬座中,閥座金屬面受到良好的保護。本產品特別適用于鋼鐵業,鋁業,纖維,微小固體顆粒,紙漿,煤灰,石油氣等介質。
二、上裝式偏心半球閥優點:
(1)壓力損失小:全開時水損為零,流道完全暢通,且介質不會沉積在閥體中腔內;
(2)耐顆料磨損:V形開口的球冠與金屬閥座之間具有剪切作用,在關閉過程中,只在最后一刻球冠才靠向閥座,不形成磨擦,且閥座用耐磨的鎳合金制成,不易被沖刷磨損,因而適用于含纖維、微小固體顆料、漿等;
(3)適合高流速介質:直通流道,堅固的偏心一曲軸使之適合高流速具無振動;
(4)壽命長:無易損部件,由于偏心作用,閥門啟閉時密封面間無磨擦,則使用壽命長;
(5)維修方便:閥門維修時不需從管路上拆下,只要打開閥蓋即可進行維修;
(6)廣泛適用于水、污水、含微小固體顆料、水、蒸汽、煤氣、天然氣、油品等。
三、上裝式偏心半球閥執行標準:
1. 設計和制造:GB/T12237-1989;AP1608。
2. 檢驗和試驗:GB/T13927-1992;AP1598。
3. 焊接連接:JB/T79.1~2-1994;ASME/ANSIB16.10
四、上裝式偏心半球閥主要零件材質及代號
零件名稱 |
DYQ40型 |
DYQ40型 |
DYQ40型 |
閥體 |
碳鋼WCB/不銹鋼CF8 |
碳鋼WCB/不銹鋼CF8 |
碳鋼WCB/不銹鋼CF8 |
閥桿 |
2Cr13/304 |
2Cr13/304 |
2Cr13/304 |
閥芯密封副 |
WCB/CF8+Cr |
WCB/CF8+硬化合金鋼 |
特種硬化合金鋼質 |
閥座密封副 |
PTFE/Molon |
WCB/CF8+硬化合金鋼 |
特種硬化合金鋼質 |
五、上裝式偏心半球閥主要連接尺寸:

稱壓力 |
公稱通徑 |
尺寸(mm) |
|||||||
L |
D |
K |
d |
b |
z-d0 |
Hw |
Hd |
||
1.0 |
100 |
229 |
220 |
180 |
156 |
22 |
8-φ18 |
330 |
380 |
125 |
254 |
210 |
210 |
184 |
22 |
8-φ18 |
345 |
405 |
|
150 |
267 |
240 |
240 |
211 |
24 |
8-φ22 |
370 |
440 |
|
200 |
292 |
295 |
295 |
266 |
24 |
8-φ22 |
405 |
470 |
|
250 |
330 |
350 |
350 |
319 |
26 |
12-φ22 |
480 |
540 |
|
300 |
403 |
400 |
400 |
370 |
26 |
12-φ22 |
520 |
580 |
|
350 |
430 |
460 |
460 |
429 |
26 |
16-φ22 |
570 |
630 |
|
400 |
530 |
515 |
515 |
480 |
26 |
16-φ26 |
630 |
710 |
|
450 |
580 |
565 |
565 |
530 |
28 |
20-φ26 |
690 |
770 |
|
500 |
660 |
620 |
620 |
582 |
28 |
20-φ26 |
740 |
820 |
|
600 |
840 |
725 |
725 |
682 |
34 |
20-φ30 |
840 |
940 |
|
700 |
900 |
840 |
840 |
794 |
34 |
24-φ30 |
960 |
1040 |
|
800 |
1000 |
950 |
950 |
901 |
36 |
24-φ33 |
1080 |
1180 |
|
900 |
1100 |
1050 |
1050 |
1001 |
38 |
28-φ33 |
1190 |
1280 |
|
1000 |
1200 |
1160 |
1160 |
1112 |
38 |
28-φ36 |
1310 |
1420 |
|
1200 |
1300 |
1380 |
1380 |
1328 |
44 |
32-φ39 |
1420 |
1530 |
|
1400 |
1500 |
1590 |
1590 |
1530 |
48 |
36-φ42 |
1540 |
1650 |
|
1.6 |
100 |
229 |
180 |
180 |
156 |
22 |
8-φ18 |
330 |
380 |
125 |
254 |
210 |
210 |
184 |
22 |
8-φ18 |
345 |
405 |
|
150 |
267 |
240 |
240 |
211 |
24 |
8-φ22 |
370 |
440 |
|
200 |
292 |
295 |
295 |
266 |
24 |
12-φ22 |
405 |
470 |
|
250 |
330 |
355 |
355 |
319 |
26 |
12-φ26 |
480 |
540 |
|
300 |
403 |
410 |
410 |
370 |
28 |
12-φ26 |
520 |
580 |
|
350 |
430 |
470 |
470 |
429 |
30 |
16-φ26 |
570 |
630 |
|
400 |
530 |
525 |
525 |
480 |
32 |
16-φ30 |
630 |
710 |
|
450 |
580 |
650 |
585 |
548 |
40 |
20-φ30 |
690 |
770 |
|
500 |
660 |
770 |
650 |
609 |
44 |
20-φ33 |
740 |
820 |
|
600 |
840 |
840 |
770 |
720 |
54 |
20-φ36 |
840 |
940 |
|
700 |
900 |
950 |
840 |
794 |
40 |
24-φ36 |
960 |
1040 |
|
800 |
1000 |
1050 |
950 |
901 |
42 |
24-φ39 |
1080 |
1180 |
|
900 |
1100 |
1125 |
1050 |
1001 |
44 |
28-φ39 |
1190 |
1280 |
|
1000 |
1200 |
1255 |
1170 |
1112 |
46 |
28-φ42 |
1310 |
1420 |
|
1200 |
1300 |
1485 |
1390 |
1328 |
52 |
32-φ48 |
1420 |
1530 |
|
1400 |
1500 |
1590 |
1590 |
1530 |
58 |
36-φ48 |
1540 |
1650
|
|
本網頁所展示的有關【上裝式偏心半球閥DYQ340H大口徑偏心球閥_球閥_浙江省艾默生流體控制有限公司】的信息/圖片/參數等由悠牛網的會員【浙江省艾默生流體控制有限公司】提供,由悠牛網會員【浙江省艾默生流體控制有限公司】自行對信息/圖片/參數等的真實性、準確性和合法性負責,本平臺(本網站)僅提供展示服務,請謹慎交易,因交易而產生的法律關系及法律糾紛由您自行協商解決,本平臺(本網站)對此不承擔任何責任。您在本網頁可以瀏覽【上裝式偏心半球閥DYQ340H大口徑偏心球閥_球閥_浙江省艾默生流體控制有限公司】有關的信息/圖片/價格等及提供【上裝式偏心半球閥DYQ340H大口徑偏心球閥_球閥_浙江省艾默生流體控制有限公司】的商家公司簡介、聯系方式等信息。
在您的合法權益受到侵害時,歡迎您向郵箱發送郵件,或者進入《網站意見反饋》了解投訴處理流程,我們將竭誠為您服務,感謝您對悠牛網的關注與支持!